This thread has been locked.

If you have a related question, please click the "Ask a related question" button in the top right corner. The newly created question will be automatically linked to this question.

PCA9306: About the datasheet of PCA9306DCUR

Part Number: PCA9306

Hi Support Team.

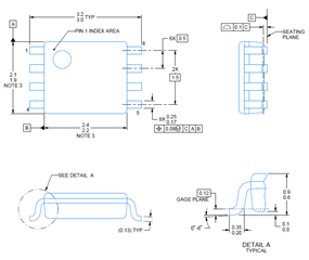
The package size of VSSOP in the Package Information listed in

attached datasheet P1 (fig1 below) is different from the dimensions listed in

datasheet P29 (fig2 below).

In fig2, it can be read as 2.0mm x 3.1mm.

Which information is correct?

           Fig1

        Fig2

Thanks,

YutaroPCA9306DCUR.pdf