Part Number: TCAN1044A-Q1
Hi Expert,
Customer report an issue for TCAN1044A-Q1 that it will detect the error frame at heavy load(>90%) communication. The test procedure as below.
Repeat the IG ON/OFF test(turn on/off CAN communication), the error frame was observed. You can find the waveform as below. Customer tried the same test method at TCAN1043A, but not observe the error frame.
I am not familiar with this test and please help provide some suggestions to debug. If anything not clear, feel free to ask.
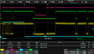
Error frame waveform(CH4 green one is standby pin, CH1 yellow one is CANL-CANH): use differential probe, so 0 stands for recessive, 1 stands for dominant state.

Zoom in: we can see the error frame detected in red box, 12 bit dominant state.

Thanks!
Ethan Wen



