Part Number: TPD4E02B04
Hello
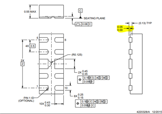
I have a question regarding the coplanarity of TPD4E02B04DQAR on package dwaing of datasheet.
It was 0.05 on DQA package drawing, but is 0.08 on DQA0010A package dwawing.
Would you let us know the reason why they are different?
Thank you for your support.
Best regards,
Tomoyuki


