Tool/software:
Hi Ti team
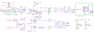
We use TPD3S716-Q1 as USB2.0 interface protector in IVI system based on Qualcomm platform.
After downloading image to SOC by using USB2.0 connected to host PC, we powered off the whole board but kept the USB2.0 connected to host PC. we could measure voltage about 3.8V-4V on both VBUS_CON, VBUS_SYS and VIN. We checked datasheet but no more information about this. Could you help analysis why the VIN was powered by VBUS_CON and VBUS_SYS ?
USB 2.0 interface schematic is as below:


