Part Number: TUSB321
Tool/software:
Hello E2E team
Its Lev from ELTA,
Working on my latest board in bring up state I'm encountering a problem with my on board USB connection,
It seems like the TUSB321 device is not working.
The following sets are being used:
Set as DRP (nothing connected to the port pin)
Set as medium current mode (499K P.U. res. On current_mode pin)
The first tested pins were ID and DIR
It seems like there is no change in the ID state (stuck at "1" – pulled up) when connecting a device, such as UFP
It seems like there is no change in the DIR state when changing the direction of a connected USB C device
The situation repeated on 2 different boards.
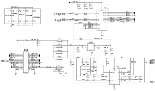
following is the USB conn. Schematics for ref.

Please advise.