This thread has been locked.

If you have a related question, please click the "Ask a related question" button in the top right corner. The newly created question will be automatically linked to this question.

TMUXHS4212: Swapping polarity of C[0/1][P/N] lines

Part Number: TMUXHS4212
Other Parts Discussed in Thread: TUSB321

Tool/software:

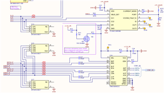
We are trying to use a TUSB321RWBR with a TMUXHS4212 multiplexer, and are running into some issues with orientation and detection. 

We have configured the TUSB321 in Host mode by pulling the PORT pin HIGH, and have connected a MOSFET circuit to invert the logic of the DIR pin output to match our configuration of the MUX. 

We noticed that the only time that the USB device was recognized by our system is when the SEL pin of the MUX is HIGH, meaning that the pair of SS lines that are being passed through the MUX are the ones that we have accidentally switched the polarity of when connecting to the C ports of the MUX.

 

Any suggestions on why the device doesn't seem to be detected when the B ports are selected?

  • Hi,

    Are you seeing the SEL pin being driven low? Since TUSB32I is in the host mode, how are you controlling the VBUS? Please note the VBUS must be enabled after the CC negotiation has been completed.

    Thanks

    David

  • We are seeing the SEL pin driven low when trying to select the B ports. The VBUS is being fed from a 5V supply in our circuit. This is always on, but if the VBUS has to be enabled after CC negotiation, why would the device only recognize the USB connection when the C ports on the MUX are being selected? Even after the device sees the connection, if the plug is removed and then reinserted in the opposite orientation (i.e. the SEL pin goes from being driven high to driven low), it no longer sees the connection, but comes back after flipping it again.

  • Hi,

    The SEL pin of the MUX is going through the MOSFET circuit to invert the logic of the TUSB321 DIR pin output. 

    So when SEL is low, C port will be selected. When SEL is high, B port will be selected. 

      

    But if TUSB321 is in a DFP or host mode, then VBUS has to be enabled after CC negotiation. If not, then the TUSB321 will not toggle its DIR pin and DIR pin will always stay low, in case, only C port will be selected.

    Thanks

    David

  • We can see the SEL pin being driven low and then high when flipping orientation without a power reset. I have seen mention that if the reserved pins are left floating the MUX could be put into test mode. I have not seen what the test mode entails; would it be possible that it's causing an issue?

  • We solved the issue. Turns out there was very fine, hard to spot shorting between the TX / RX lines and ground on our connector. After retouching these pins, everything is working fine.