Part Number: TDP142
Tool/software:
Hi,
For below application, auxp/auxn, should be use capacitor or resistor?
the capactior value 0.1uF is suitable? thanks!

This thread has been locked.
If you have a related question, please click the "Ask a related question" button in the top right corner. The newly created question will be automatically linked to this question.
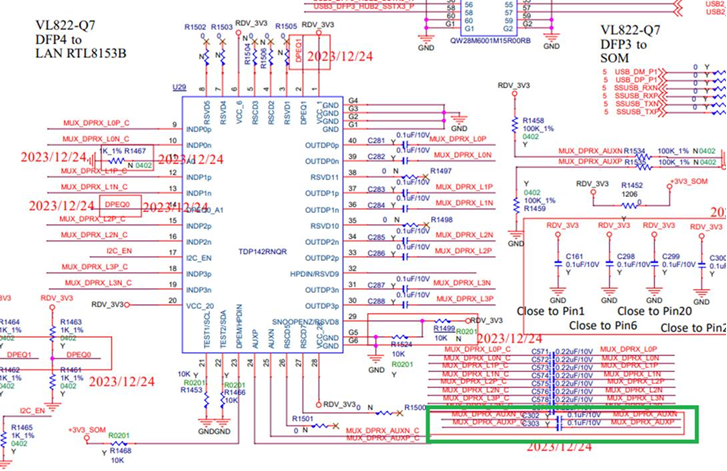
Part Number: TDP142
Tool/software:
Hi,
For below application, auxp/auxn, should be use capacitor or resistor?
the capactior value 0.1uF is suitable? thanks!

Jeff
Can you please share the schematic in pdf format for review?
AUXP/N should be AC coupled.
On the source side, AUXP needs to have 100k pulldown resistor to ground, and AUXN needs to have 100k pullup resistor to DP_PWR.
On the sink side, AUXP needs to have 1M pullup resistor to DP_PWR, and AUXP needs to have 1M pulldown resistor to GND.
Thanks
David