Tool/software:
Hi,
I would like to confirm two things.
Currently, we are using the mux for SATA signal.
Is the placement of the AC cap shown below acceptable?
Second, since layout adjustment, is it can support polarity reverse as below?

Thanks!
Jeff
This thread has been locked.
If you have a related question, please click the "Ask a related question" button in the top right corner. The newly created question will be automatically linked to this question.
Tool/software:
Hi,
I would like to confirm two things.
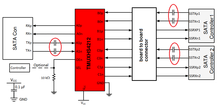
Currently, we are using the mux for SATA signal.
Is the placement of the AC cap shown below acceptable?
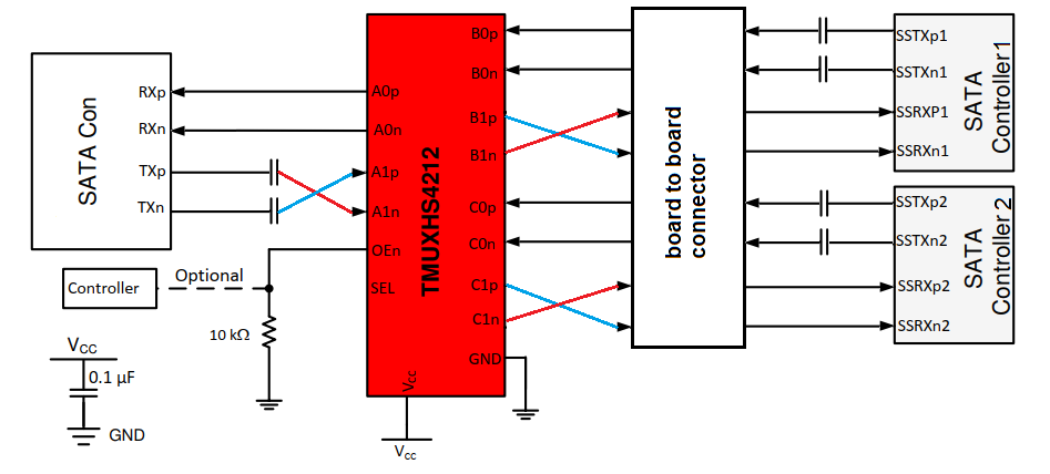
Second, since layout adjustment, is it can support polarity reverse as below?

Thanks!
Jeff
Hi Jeff:
For AC cap, the placement looks correct.
For ploarity,, it's ok if you switch p/n on both sides of mux.
Best
Brian