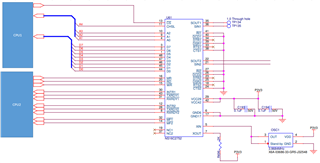
Part Number: NS16C2752
Tool/software:
I am Japanese. I am writing this thread using a translation application.
Hello TI Support Team.
I am using NS16C2752, I cannot rewrite the internal registers.
Is there any operation that needs to be performed before writing the register or can the register be in a write disabled state?
