Tool/software:
Hi,
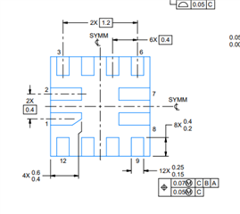
We get the goods for TUSB211AIRWBR, the we can't fine the PIN#1 identification in the top view, please kindly check the below picture and advise how to distinguish the PIN#1,thanks.

This thread has been locked.
If you have a related question, please click the "Ask a related question" button in the top right corner. The newly created question will be automatically linked to this question.
Tool/software:
Hi,
We get the goods for TUSB211AIRWBR, the we can't fine the PIN#1 identification in the top view, please kindly check the below picture and advise how to distinguish the PIN#1,thanks.

Hi Zhang,
Pin one should be at the bottom left in this case. It looks like there is a dot trying to illustrate that. However, you can also look at the bottom of the device at the pins, and see which pin is slanted at one of the corners:

Pin 1 is indicated on the pins by the pin with the slanted corner.
Please let me know if you have any other questions.
Thanks,
Ryan