Tool/software:
Hello,
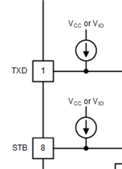
What is the value of the RPU inside the chip

This thread has been locked.
If you have a related question, please click the "Ask a related question" button in the top right corner. The newly created question will be automatically linked to this question.