This thread has been locked.

If you have a related question, please click the "Ask a related question" button in the top right corner. The newly created question will be automatically linked to this question.

TUSB522P: How to set EQ/DE/OS to improve USB 3.0 compliance test.

Part Number: TUSB522P

Tool/software:

hi 

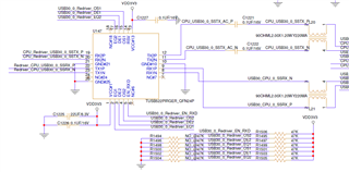
We are using the TUSB522P between the Host and the connector. During the USB 3.0 compliance testing, several tests failed.

Please refer to the attached document for details. Total Jitter fail.

 USB3_CC1.pdf

Currently, our EQ/DE/OS settings are as shown in the schematic. Do you have any suggestions on how to modify these settings to improve the test results?

PIN DESCRIPTION LOGIC STATE TYP UNITS DUT configuration
1
DUT configuration
2
EQ1/EQ2 Receiver equalization amount Low 3 dB    
Floating 6 dB    
High 9 dB V V
OS1/OS2 Transmit output swing amplitude for the transition bit Low 0.9 Vpp    
High 1.1 Vpp V V
DE1/DE2 Transmit de-emphasis amount Low 0 dB    
Floating -3.5 dB    
High -6.2 dB V V

Thank you

Nelson