Part Number: TCA6408A
Tool/software:
Hello. The datasheet for TCA6408ARSVR does not contain RSV-16 (16-UFQFN) package drawing. Is it possible to fix this error? I can see only CAD models? but it's nit enough.
This thread has been locked.
If you have a related question, please click the "Ask a related question" button in the top right corner. The newly created question will be automatically linked to this question.
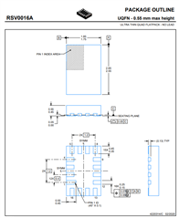
Part Number: TCA6408A
Tool/software:
Hello. The datasheet for TCA6408ARSVR does not contain RSV-16 (16-UFQFN) package drawing. Is it possible to fix this error? I can see only CAD models? but it's nit enough.
Hello Yurii,
The package drawing can be found at the bottom of the datasheet.

Regards,
Josh