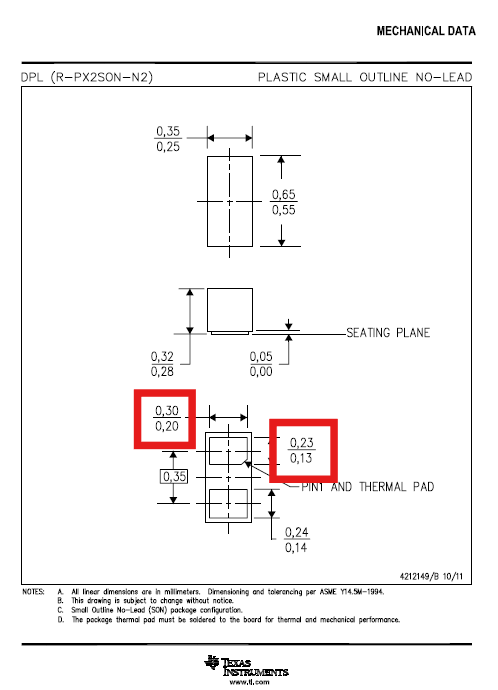
Part Number: TPD1E01B04
Tool/software:
Hi,
The downloaded file does not seem to contain the Dra-related files. We are using Allegro Design Authoring software. Could you please check the image below to see if there are any selection errors, or could you directly provide the Dra file? Thank you.





