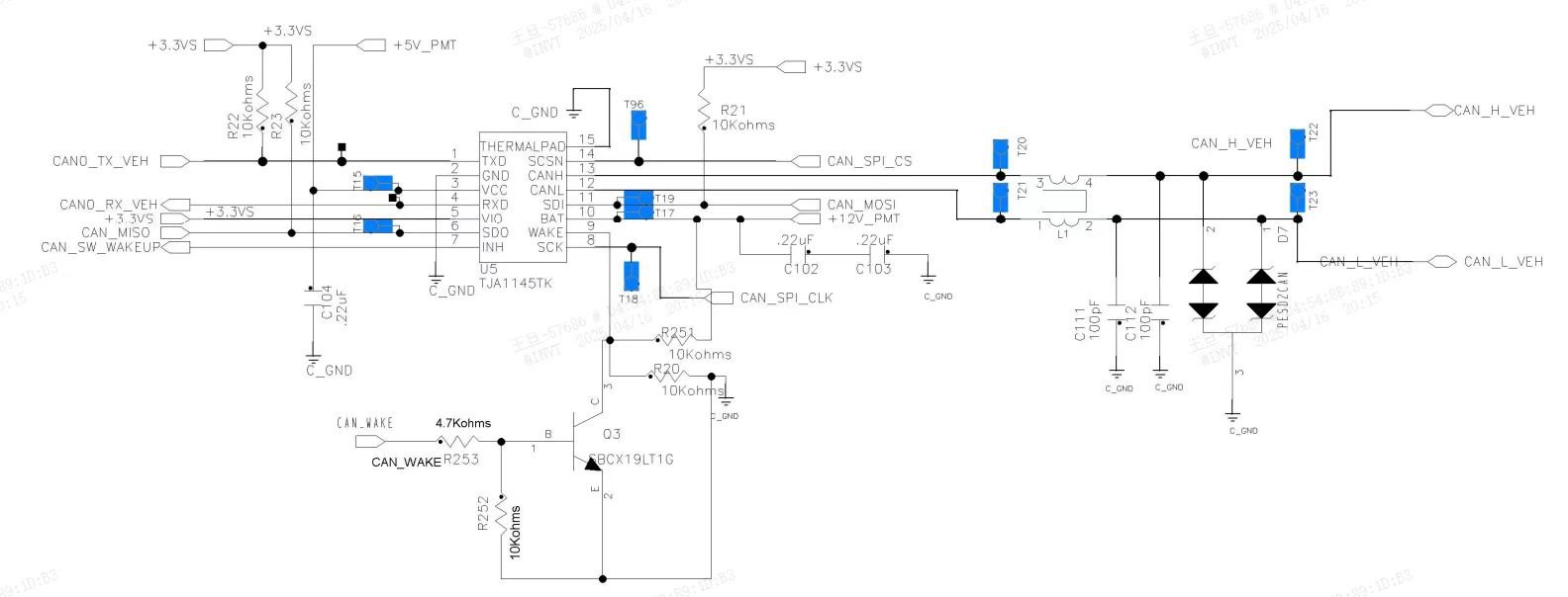
Part Number: TCAN1145-Q1
Tool/software:
Hi Ti experts,
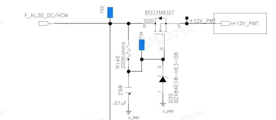
My customer uses TCAN1145 in PDU to control the output of 3.3V/5V. TCAN is connected with F28034. There is also a battery to power the whole PDU.
Question is that when using battery power the PDU in the first time, external part can not control the 3.3V/5V output by TCAN. They need to reload the battery and the output will be normal.


Customer said when the issue appears, KL30 is powered on and There are also wake-up frames。

