Part Number: TCA39416
Tool/software:
Hello TI team,
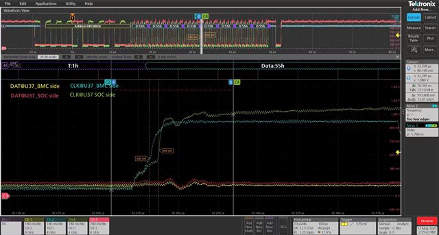
The customer is using the TCA39416DTWR level shifter on the I3C bus, as shown in the diagram below.
After measuring the SCL/SDA signals on both the input and output sides of the TCA39416DTWR, we observed a significant delay.
SCL/SDA signals on the input(BMC side) delay time 15.4ns
SCL/SDA signals on the output(SOC side) delay time 6ns
According to the datasheet, the channel-to-channel skew should be less than 3ns, but our measurements show a longer delay that exceeds this specification.
Could you please help us review this issue?
Thanks





