Part Number: DP83869HM
Tool/software:
Hi,
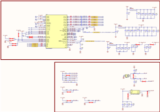
I am using DP83869HMRGZT part in our product, We are facing initialization issue. while debugging observed that the LED0 pin is High status only, even though it has Pull-down(2.49K to GND).
Here is our schematic for your reference, 
Let me know, if required any further details.
Thanks in advance.







