Tool/software:
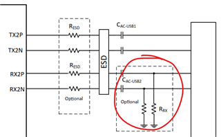
Hello,Datasheet of TUSB521-Q1,shows as option , the resistor newtowrk . Why it is an option? when it have ot be used ? in case it is not used I guess that CAC-USB2 need to be replaced by 0 ohm jumper, correct? metterebbe un jumper) ?

This thread has been locked.
If you have a related question, please click the "Ask a related question" button in the top right corner. The newly created question will be automatically linked to this question.
Tool/software:
Hello,Datasheet of TUSB521-Q1,shows as option , the resistor newtowrk . Why it is an option? when it have ot be used ? in case it is not used I guess that CAC-USB2 need to be replaced by 0 ohm jumper, correct? metterebbe un jumper) ?

Hi Daniele,
The Rrx resistors are meant to help with discharging after a device is disconnected from the attached USB-C Port. These are not required, and if they are not implemented, there does not need to be any resistor pulling the line down.
The CAC-USB2 330nF capacitors are meant to help with ensuring that the RX of the incoming signal is properly AC coupled with the range specified by the USB3 spec. These capacitors are not required though, and are meant primarily for inter-operability reasons. We do recommend them to be safe, but if they are not being used, you can directly connect the RX of the connector to the RX of the redriver.
You can use CAC-USB2 without using Rrx, you do not have to use both.
Please let me know if you have any other questions.
Thanks,
Ryan