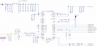
Part Number: TCAN2451-Q1
Tool/software:
Hi team,
1. The customer found a 668.5kHz frequency during RE testing. From the datasheet there is no such switch frequency, may I ask what may be the cause of this issue?
The low frequencies were tested separately and found frequency radiation in the 330Khz, 660Khz and 1Mhz.



2. In addition, the customer configured the register at 2.4MHz switch frequency, but the actual tested frequency was only about 1M, what could be the reason for this?

Thanks in advance!
Regards,
Ivy