Other Parts Discussed in Thread: SN65LVCP408, SN65LVCP402, SN75DP118, TMDS442
Hello,
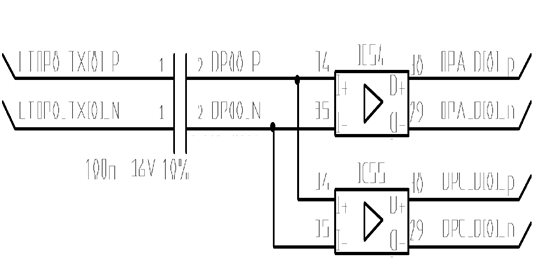
For an embedded project, I'm searching for a way to duplicate a display port channel 1:1.
I have a DP source which shall drive two identical monitors with the same DP signal (i.e. the second monitor will show exactly the same content and its AUX information will not be read).
I want to use two DP118 both connected to the same DP source. Do you think this has a chance to work?

Best Regards,
Martin Rottmann, Hardware Design