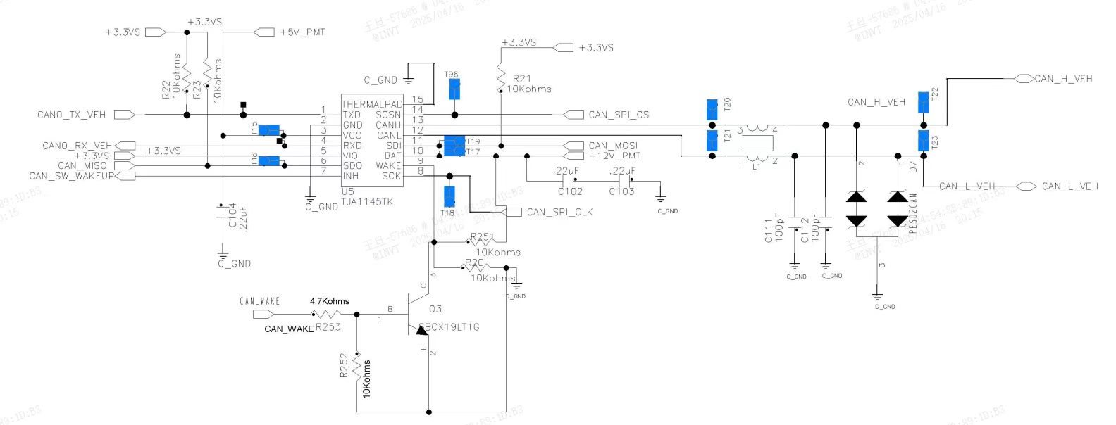
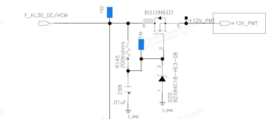
Part Number: TCAN1145-Q1
Tool/software:
Hi Ti experts,
My customer is using TCAN1145 in OBC and PDU. They met accidental case that they fail to initialize the TCAN1145.
Can you list several potential reasons that will casue this issue for helping figure out the root cause.
And do you have corresponding solution for above conditions.

