Other Parts Discussed in Thread: ALP
Tool/software:
Hi Ti,
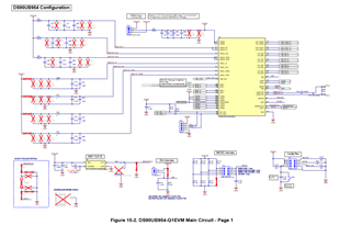
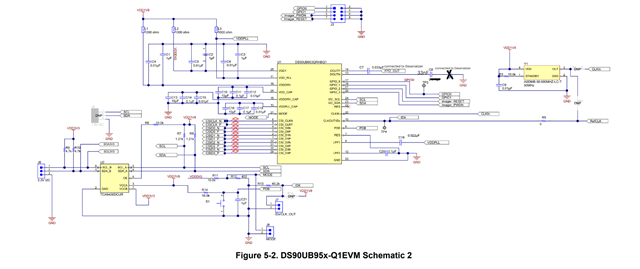
We are attempting to stream video from a sensor outputting 3MP at 30 FPS over 4 lanes using a SerDes combination of the DS90UB953 EVM (Serializer) and DS90UB954 EVM (Deserializer). Instead of operating in Coax mode, we are trying to stream in STP mode. However, we couldn't able to get the streaming.
Setup:
Sensor → DS90UB953 → (STP Mode) → DS90UB954 → SoC
1. The serializer is powered by an external power source.
2. The sensor clock is provided by an external crystal oscillator, not from the serializer.
3. We are using a 5-foot twisted pair cable.
4. The coupling capacitors are 33 nF on both RIN and DOUT lines.
5. There is no PoC (Power over Coax) network connected to DOUT± or RIN±.
6. It would be helpful to know if there is a method to provide power over STP.(nice to have)

