Tool/software:
I think of using DP83867IR with Molex RJ45 connector (936273606).
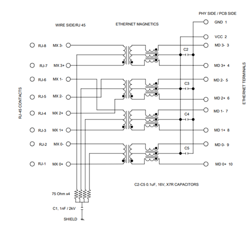
The connector has magnetics, and it has VCC pin in PHY side interface shown as follows. Should I connect the VCC pin, or can I leave the VCC pin to floating?
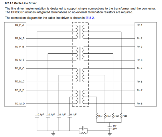
In the Fig 8-2 in the DP83867IR datasheet, there is no VCC between PHY and RJ45.
936273606 document

THe DP83867IR datasheet
