This thread has been locked.

If you have a related question, please click the "Ask a related question" button in the top right corner. The newly created question will be automatically linked to this question.

USB-TO-GPIO2: Pin 7 Status Variation compare with 2006/22 Version

Part Number: USB-TO-GPIO2

Tool/software:

Hi Team,

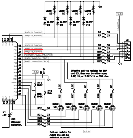
About USB-TO-GPIO2:

1. I notice no matter in 2006 or 2022 version, pin 7 are always HIGH(default), could you check this part again?

Customer only connected the PC and USB adapter to the 2006 version, measured pin 7 of the connector from adapter, and observed a low level....

Which didn't match what documentation had mentioned. 

2022

https://www.ti.com/lit/ug/sllu349/sllu349.pdf?ts=1753185891954&ref_url=https%253A%252F%252Fwww.ti.com%252Ftool%252FUSB-TO-GPIO2%253FkeyMatch%253DUSB-TO-GPIO2%2526tisearch%253Duniversal_search%2526usecase%253Dhardware

2006

https://www.ti.com/lit/ml/sllu093/sllu093.pdf

2. In the 2006 version schematic there are no pull up circuits. Might it be necessary to configure the internal chip to pulled high this pin(Pin 7)?