This thread has been locked.

If you have a related question, please click the "Ask a related question" button in the top right corner. The newly created question will be automatically linked to this question.

SN65DP159: Questions on SN65DP159RSB Input Configuration and No Display Issue.

Part Number: SN65DP159

Tool/software:

Hi TI Team,

I have two questions regarding SN65DP159RSB usage:

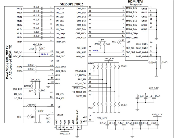
  1. For the SN65DP159RSB input signal, is it generally recommended to directly feed DP signal into the device, or is it acceptable to configure the BIOS to output HDMI signal first and then feed it into the SN65DP159RSB? (Reference: Figure 1)

  2. In another project, after some period of normal operation, we encountered an issue where there is no display output, but the HPD signal remains normal at 3.3V High. Have you seen this kind of behavior before? (Reference: Figure 2)

In this case, the circuit is slightly different — the ML2 and ML1 signals are swapped, and the BIOS is configured for HDMI signal input. Could this swapping cause issues?

Thanks for your support.

Figure 1

Figure 2

  • Hi,

    The DP159 interfaces to a dual-mode DisplayPort (DP++) source, not a DP source. A dual-mode DisplayPort Source is a device that can logically output either DisplayPort or TMDS for the support of DVI or HDMI monitors. In this case, you would want to output logical TMDS and looking at their schematic, it appears that they are interfacing to a DP++ source. 

    When there is no display output, have they tried to probe the output signal with 50ohm termination to 3.3V? Are they seeing any output signal? 

    Have they also tried to do a ABA swap and see if the issue follow the unit or the board?

    Thanks

    David