Part Number: DP83867IR
Tool/software:
Hi team,
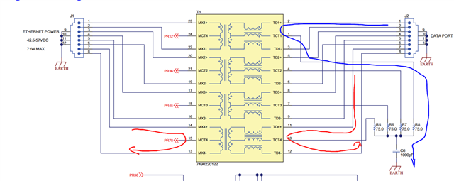
When Delta design the Ethernet PHY, DP 83867, they selected C6 package to 0805, NOT 1206. But there is no 0805 MLCC capacitor which can support up to 2KV, then 2 pcs 0805 MLCC in series used.

The real circuit as following used to replace C6 in the above:

Q1: Do you think whether the above network will degrade the Ethernet data performance, such as the eye diagram?
Q2: Whether it will degrade EMI performance? for example: +/-4KV ESD etc.
Thanks a lot!
Regards,
Jack