Part Number: TCA9548A
Tool/software:
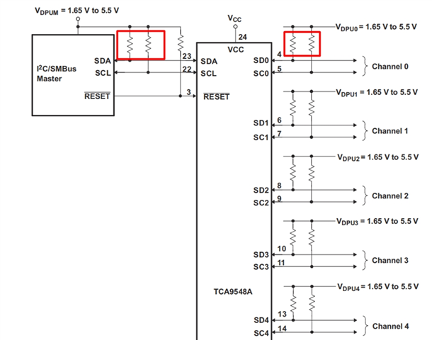
Hi Team
Can you help to recommend the suitable pull-up resistor?

This thread has been locked.
If you have a related question, please click the "Ask a related question" button in the top right corner. The newly created question will be automatically linked to this question.
Part Number: TCA9548A
Tool/software:
Hi Team
Can you help to recommend the suitable pull-up resistor?

Hello Harry,
We have this application note going over picking the right pull up resistor value.
Though, 4.7k ohms is a common one to be used.
Thanks,
Nir