TUSB8041: Connect HD3SS3220 and TUSB8041 - capacitors in USB SS transmission lines?

Part Number: TUSB8041
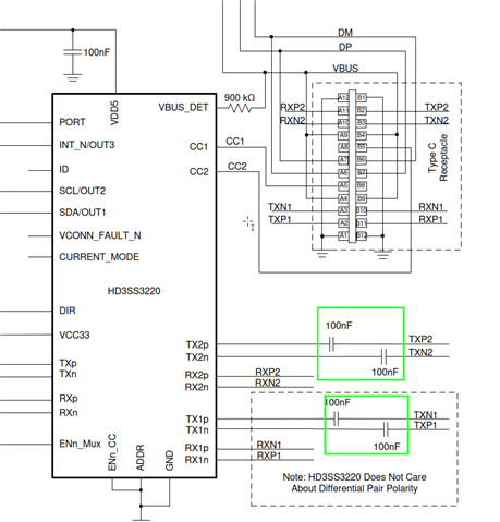
Other Parts Discussed in Thread: HD3SS3220

Tool/software:

Hello,

i want to connect a  HD3SS3220  and a TUSB8041 chip on one PCB (and some other Chips to the TUSB8041).

The question i have is targeting the USB Super Speed lines between these two chips (USB C Mux and USB-Hub).

I know that i have to use some decoupling capacitors in the TX lines if i have a connecter on the other end:

But, do i need the coupling capacitors between the chips if the USB SS signals does not leave the system, have the same GND reference and the chips are powered from the same supply?

Best regards 

Andre