Other Parts Discussed in Thread: DS25BR204,
Tool/software:
Hi TI team.
Could you please provide information on the IO state of the output pins when /PWDN=L?
Regards,
Matsumoto
Tool/software:
Hi TI team.
Could you please provide information on the IO state of the output pins when /PWDN=L?
Regards,
Matsumoto
Hi Matsumoto-san,
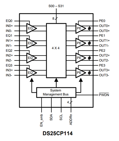
When PWDN=L, output pins will have differential voltage of 0V. Based on block diagram below, we expect output termination to remain present in power down.

Thanks,
Drew
Thank you for your response.
I would like to confirm my understanding: When the differential voltage is 0V,
does this mean that the common mode voltage is being output?
Could you please verify if this interpretation is correct?
Regards,
Matsumoto
Hi Matsumoto-san,
When differential voltage is 0V, this means OUT0+ - OUT0- = 0V.
From the data sheet, it's not completely clear to me how common mode voltage is being handled in power down condition. Unfortunately, I don't have a board available to check this on.
Thanks,
Drew
Thank you for your response.
I am inquiring precisely because this information is not included in the datasheet.
Would it be possible for you to verify this information internally on your end?
Regards,
Matsumoto
Hi Matsumoto-san,
Unfortunately due to the age of this device and lack of evaluation board, it's challenging to verify this.
I was able to locate a board for DS25BR204, which is a very similar device. When PWDN is set on this device, outputs maintain a common mode voltage of ~1.4V. We expect the same behavior from DS25CP104A.
Thanks,
Drew
Thank you for confirming the operation with DS25BR204.
I will use this information as a reference.
Regards,
Matsumoto