Tool/software:
Hi team,
I only use single channel of TPIC8101. In this case could you please advise how should I connect the unused input pins?
For example, if I only use CH1, then how should I connect CH2FB and CH2P and CH2N pins?
regards,
This thread has been locked.
If you have a related question, please click the "Ask a related question" button in the top right corner. The newly created question will be automatically linked to this question.
Tool/software:
Hi team,
I only use single channel of TPIC8101. In this case could you please advise how should I connect the unused input pins?
For example, if I only use CH1, then how should I connect CH2FB and CH2P and CH2N pins?
regards,
Shinji,
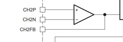
Inputs pins should not be left floating on any device since this could result with unpredictable behavior on the amplifier and possibly result in increased supply current or leakage.
I think what I might do here is to ground CH2P, and then short CH2N to CH2FB. This should configure the input amplifier as a unity buffer with 0V at the output.

Thanks,
Scott