Other Parts Discussed in Thread: SN65C1168
Hello Team TI,
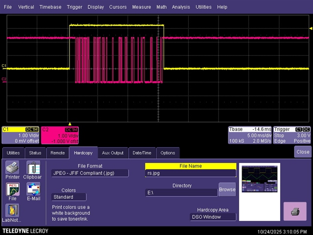
I have the SN65C1168 dual RS Transceiver IC setup per below, I have observed the enable line and data lines assert and change state as expected, but I dont get anything on the output (I have measured output with an oscilloscope setup on dual channel with math subtraction to observe the differential signal). I have verified the device is getting 5V. Please advise.

Thanks, Jordan




