Part Number: TMUX1209
Other Parts Discussed in Thread: TMUX1309A
Dear TI.
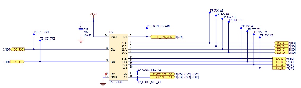
We are using the TMUX1209 in a multi-channel battery charger. The batteries communicate through UART, and this device are used to select which battery to talk to.
We have had some issues with this mux. We believe it's caused by over voltage, but we are not sure. When the device fails the behaviour is as follows; the mux will alyways be enabled - it's no longer possible to turn off the device with the enable signal. All the 4+4 outputs from the mux are shorted together, resulting in talking to 4 devices simultaneously. The failure is still there after power-cycling, so the device needs to be replaced.
Is there any other reason that can cause this situation?
The signal pins are protected from over-voltage with a bi-directional TVS-diode from Kyocera: GG060303100N2P. Do you think it should have been a uni-directional device? In addition we have a feed-through filter from Murata (NFM18CC101R1C3D), before the signal enters the connector.
For our next revision, we have also added a series resistor to absorb more energy in case of over-voltage. These are not present on the current design that fails.
Any ideas or thoughts will be highly appreciated :-). 
