Other Parts Discussed in Thread: TUSB2036
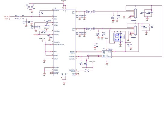
Please find the schematic of TUSB2036. Port1 is connected to the device that is always attached, Port2 is to the connector and Port3 is not used. In Windows we are getting USB Device not recognized error and in linux we are getting USB device error and cannot read from USB device descriptor error. It looks like Host PC is not able read from TUSB2036. Probed the suspend pin which is Low, OVRCUR and PWRON pins are High. What could be the problem? Is the schematic correct?
