This thread has been locked.

If you have a related question, please click the "Ask a related question" button in the top right corner. The newly created question will be automatically linked to this question.

TUSB732/40 EVM port SSTXN/P connect reverse problem

Other Parts Discussed in Thread: TUSB7320, TUSB7340

Dear sir:

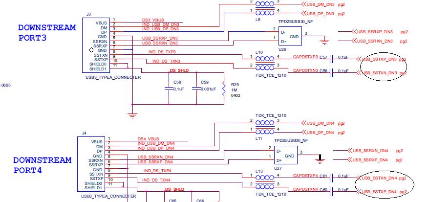
    Please find below from TUSB7320/TUSB7340 EVM User's Guide Schematic:

   Only Port 4 SSTXN/P is negative connect to Negative. Other 1, 2 and 3 is Negative connect to positive. No other place reverse this signal. Is this a problem? thanks.

regards

 Robin