Other Parts Discussed in Thread: TUSB2036
Hi
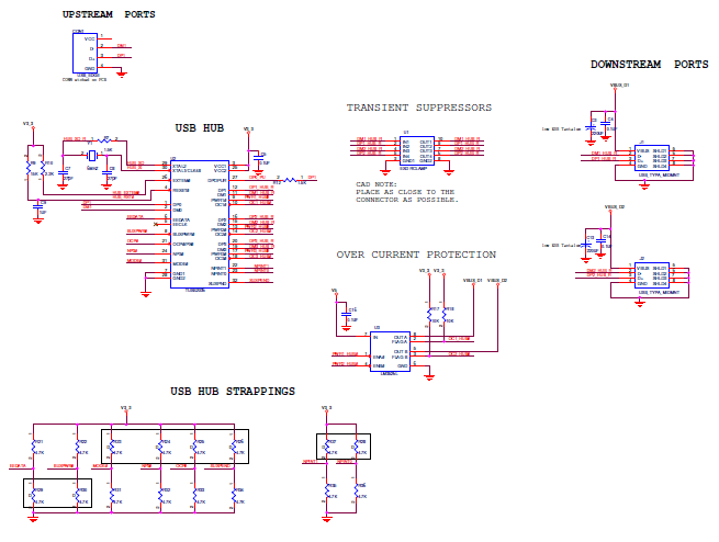
I’m using TUSB2036 hub in my design. On the upstream side, the hub is connected to a Beagle bone Black. On the downstream side, it is to be connected to a Wi-Fi dongle, a 3G dongle and any USB mass storage device. The port for USB mass storage device is on a separate PCB. In the beginning everything worked correctly. But when the downstream devices are dismounted and reinserted two three times, the system stopped detecting the devices. Also the dismounted devices are still shown as present. Attached is my design , please help
