Other Parts Discussed in Thread: TLK110, TMDSICE3359
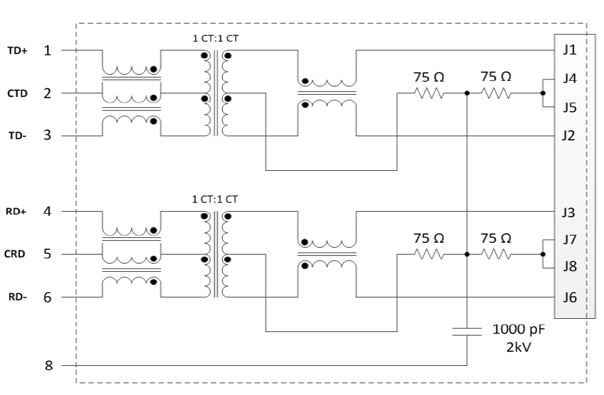
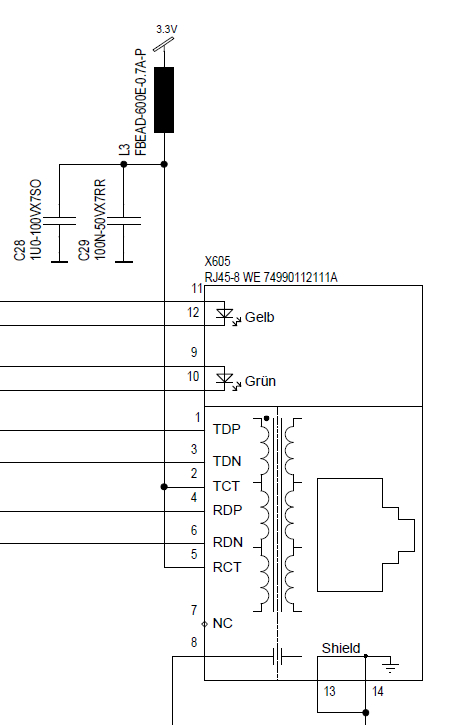
Hi @all, I am seeing a very stange behaviour of my Eth-Interface: Without powering the board, the Phy seems to respond to an incoming 10MBit-Link-signal! I could isolate this problem to the following state: The negative pulse on Pin13 (RD-) is echoed somehow on Pin16 (TD-), the positive pulse on Pin14 (RD+) has no further effect (as expected). There is no external connection between these Pins (DVM says about 10k). I have 5 identical Interfaces on the board -- the same behaviour... regards Martin





