Other Parts Discussed in Thread: TUSB2046B
Hello,
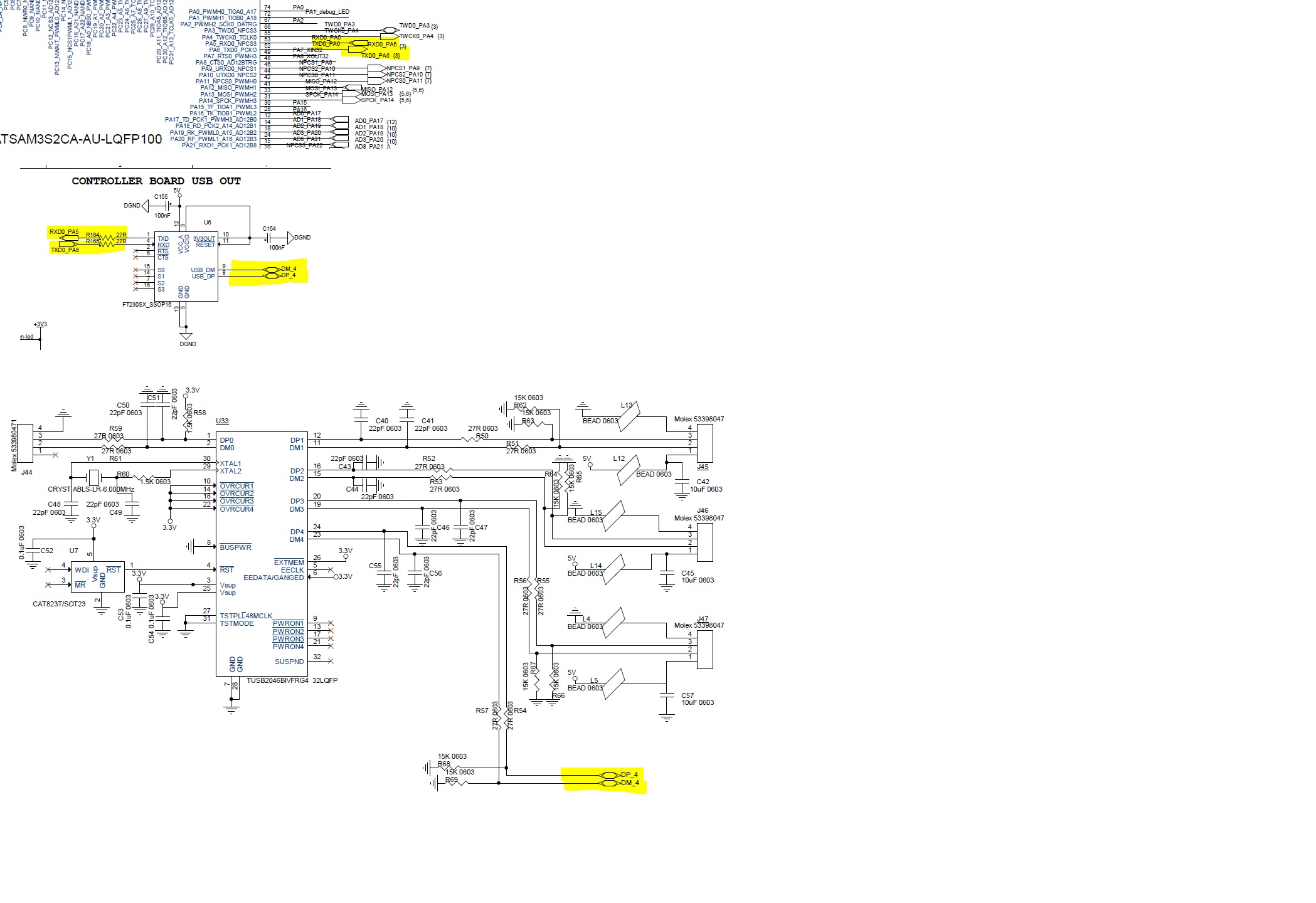
On my board I have a UART to USB bridge FT230X communicating to the system PC via TUSB2046B HUB,
The application we are running freezes from time to time then releases, I used USB sniffer and saw "Sync Reset Pips and Clear Stall" command, then the application works fine.
My question is what can cause the "Sync Reset Pips and Clear Stall" ?
Thank you!
Zion

