This thread has been locked.

If you have a related question, please click the "Ask a related question" button in the top right corner. The newly created question will be automatically linked to this question.

AM26LV32 Termination Register

Other Parts Discussed in Thread: AM26LV32E

Hello Team,

I'd like to ask you about AM26LV32E.

Is there any problem with the belowing figure?

My custermor want to know the proper rating of termination registor.

Best Regards,

Hidetoshi Matsunami

  • Hidetoshi-san

    Is the signal transmitted really audio?
    The transformers will not pass the DC component of the input signal. Do you have correct data stream (no DC)?

    I would like to see the 75 ohm resistors replaced with two 37.5 ohm resistors and the center tap grounded. Gives a input common mode of zero instead of floating.

    The 75 ohm resistors on the transformer primary should not be needed. Because the secondary resistors are reflected through the transformer (assuming the transformer works well at the input frequencies).

    I see both sides have the same ground symbol. Are the transformers just for single ended to differential or is there a need for galvanic isolation?
    If isolation is not needed then it is OK to ground one input and pass the signal to the other input.

    The resistors need to be rated for more than Vrms ^ 2 / R (power equation, R = 75 ohms).
  • Hello Ron,

    Thank you for your reply.

    >Do you have correct data stream (no DC)?

    I'll confirm data stream.

     

    >I would like to see the 75 ohm resistors replaced with two 37.5 ohm resistors and the center tap grounded. Gives a input common mode of zero instead of floating.

    >The 75 ohm resistors on the transformer primary should not be needed. Because the secondary resistors are reflected through the transformer (assuming the transformer works well at the input frequencies).

    I understood it as the following constructure but is it correct?

    Also could you tell me the reason why is replacement resistor rating 37.5 ohm?

    The transformers just for single ended to differential.

    Could you tell me how to hot-swap countermesure because my customer would like to know it?

    Best Regards,

    Hidetoshi Matsunami 

  • Hidetoshi-san,

    Yes that looks correct. Note the transformer still sees 75 ohms and each input has a DC reference and equal and opposite input signals.
    It is best if the connector(s) have a way to ensure that the ground pins connect first. This allows the system grounds to balance without passing trough a integrated circuit. The transformer should also help for hot swapping protection.
  • Hello Ron,

    Thank you very much for your reply.

    I understood it.

    Also I get the following information for data streem.

    Input Audio Signal Standard:AES 3id

    data rate:7.68Mbps

    amplitude:1.0 V ± 0.2V.

    DCoffset:0.0 V ± 50mV.

     

    Please let me reconfirm this to make sure. 

    Is the proper constructure not "A", "B" but "C"?

    Also can the transformer protect the following ESD level?

    contact discharge:8kV(IEC61000-4-2 Level 4)

    air discharge:8kV(IEC61000-4-2 Level 3)

    secondary discharge:12kV

    MO medium charge:10kV

     Best Regards,

    Hidetoshi Matsunami

  • Yes, "C" is best.
    Transformer is only rated to 2kV, so it is uncertain if it will provide enough protection.

    The transformer is for audio signals; what is your data bit rate?
  • Hello Ron,

    Thank you very much for your support.

    >The transformer is for audio signals; what is your data bit rate?

    data rate:7.68Mbps

     

    Could you tell me the reason why is “C” best? Because I thought “A” is better before.

     

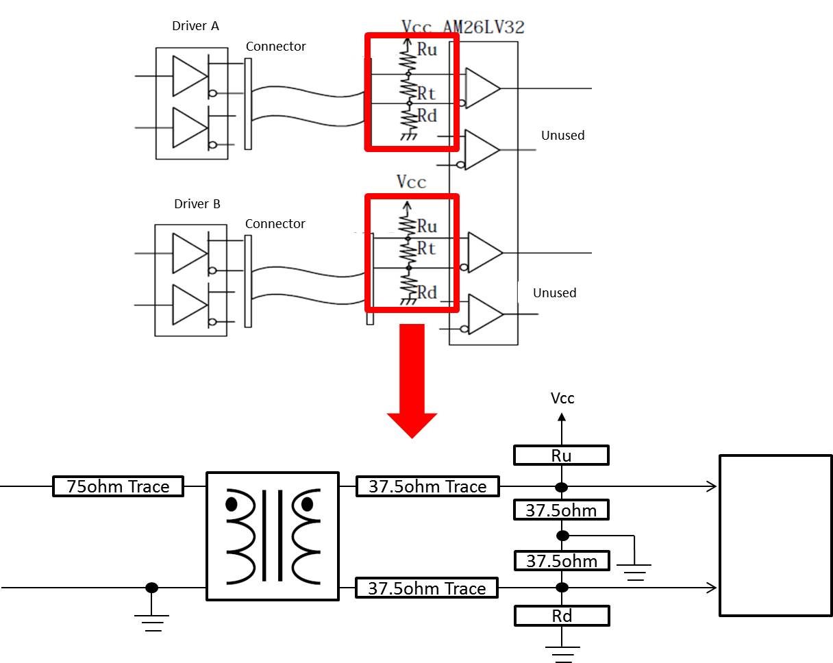
    Also according to Japanese application note, there is the recommended circuit if several drivers connect to respective cable.

    Could you tell me the rating of pull-up(RU)/down(RD) resistor in the following figure?

      

     

    Best Regards,

    Hidetoshi Matsunami

  • Hidetoshi-san,

    Think about secondary being a center tap transformer. Each side of the tap has 1/2 of the voltage and same current as the primary (75 ohms). So impedance is half. Both halves add back to 75 ohm, just like 37.5 ohm terminations.

    For RU and RD see RS-485 Design Guide http://e2e.ti.com/support/interface/industrial_interface/m/videos__files/264978/download

  • Hello Ron,

    Thank you for sending the reference.

    Is this calculation formula for RU and RD applied to the following constructure?

    Because RS-485 Design doesn't have the center tap grounded.

    Best Regards,

    Hidetoshi Matsunami

  • Hidetoshi-san,

    The resistors are not really needed because the AL26LV32E has short and terminated failsafe.
    Nevertheless for more margin, omit pull down RD and set pullup RU to 1k.
    This gives 3.3V * 37.5 / (37.5 +1000) = 120mV more noise margin.
  • Hello Ron,I appreciate your support.Best Regards,Hidetoshi Matsunami