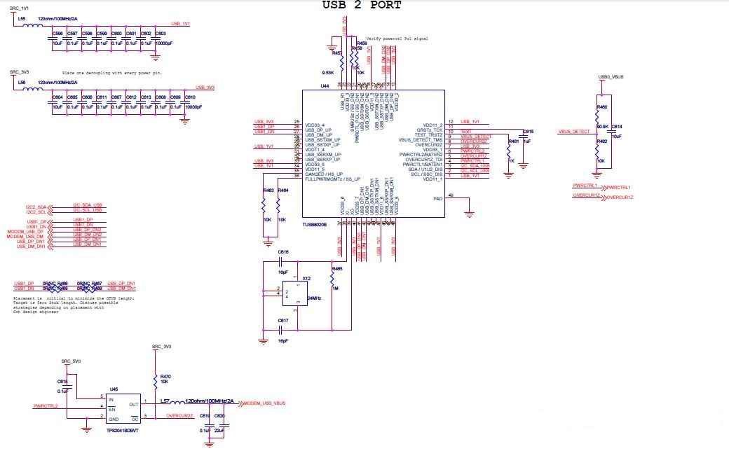
Other Parts Discussed in Thread: TUSB8020B
Hi,
Please help to review the Schematic for 2 Port USB based on TUSB8020B for the Project: In Vechicle Infotainment system.
Thanks & regards,
This thread has been locked.
If you have a related question, please click the "Ask a related question" button in the top right corner. The newly created question will be automatically linked to this question.
Other Parts Discussed in Thread: TUSB8020B
Hi,
Please help to review the Schematic for 2 Port USB based on TUSB8020B for the Project: In Vechicle Infotainment system.
Thanks & regards,