Other Parts Discussed in Thread: TPD8F003
Hi,
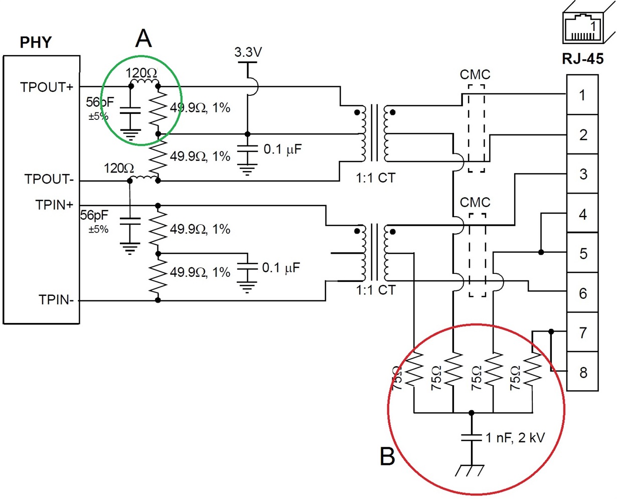
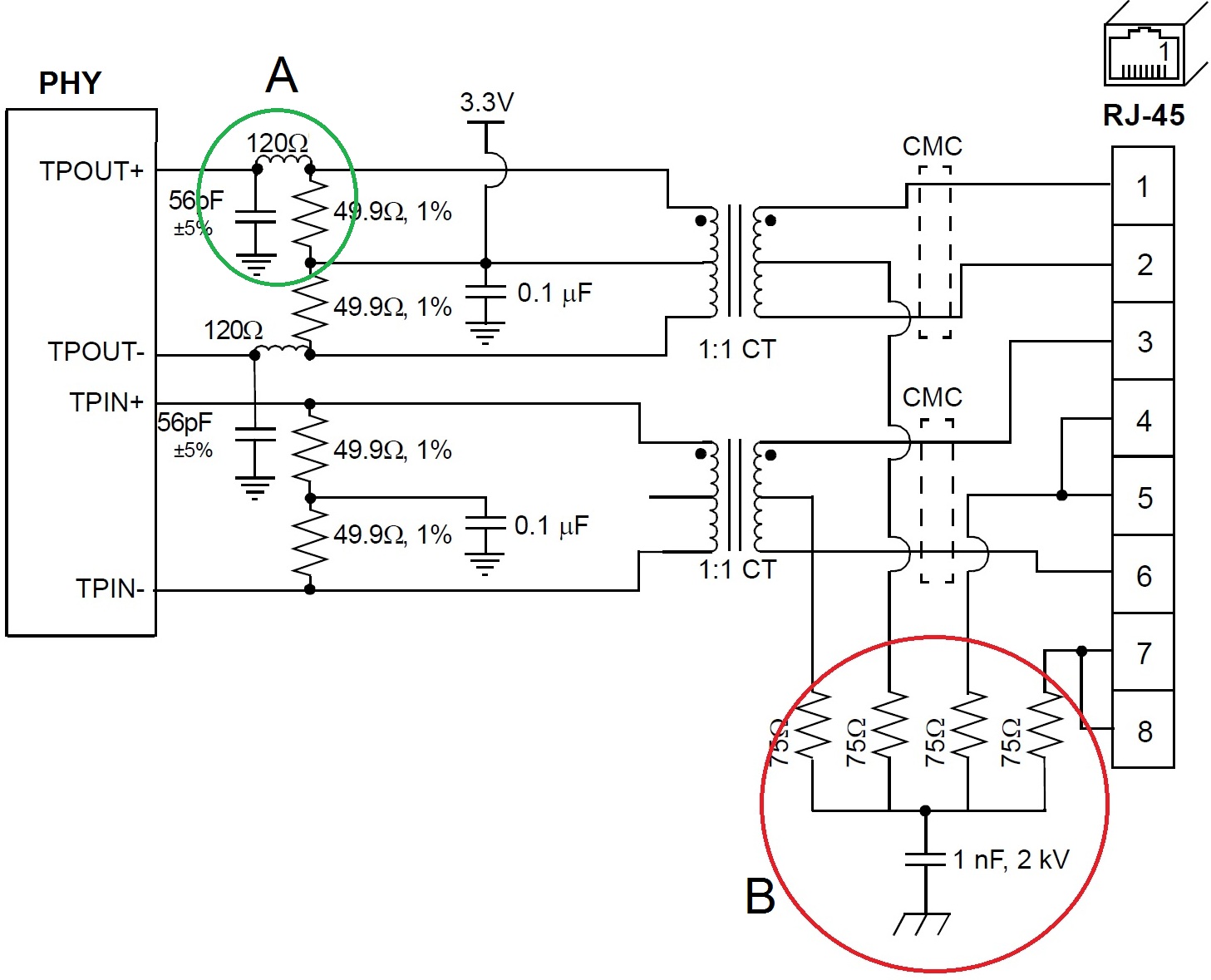
My customer is considering to use the TPD8F003 for Ethernet@10Mbit/s, RS-485@480kbit/s, and CAN@250kbit/s communication .
TPD8F003 has a resistor 100Ω for the filter.
Does this resistor affect for the each communication?
I'm sorry if this question is inappropriate for this forum.
Thanks,
Kuramochi
