Other Parts Discussed in Thread: SN65HVD485E
Hi
We have a question for SN65HVD485E failsafe features.
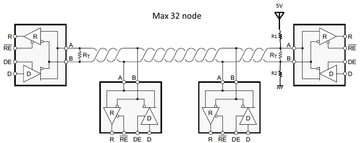
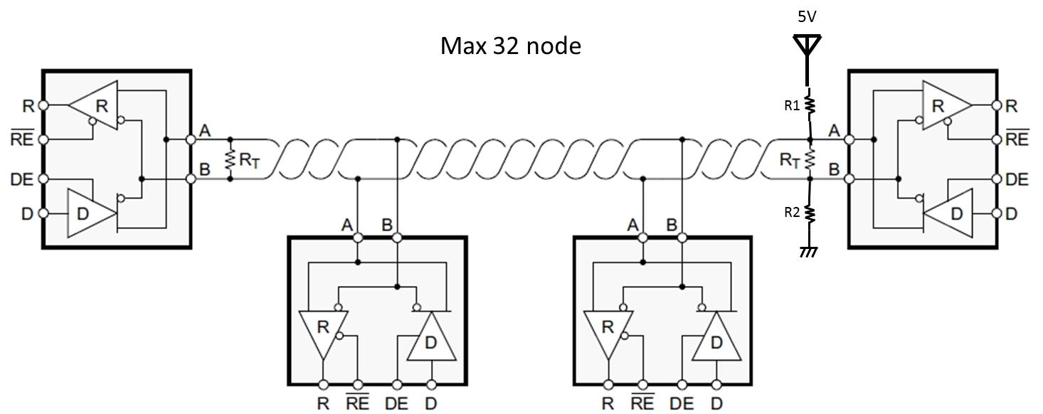
We are going to have external open, idle failsafe bias circuit, but SN65HVD485E seems to provide internal biasing feature for open-circuit, bus-idle, or short-circuit failsafe conditions.
Should we have external failsafe bias circuit?
(We want to have up to 32 unit load on bus.)
regards,

