Other Parts Discussed in Thread: TPD12S016
Hi,
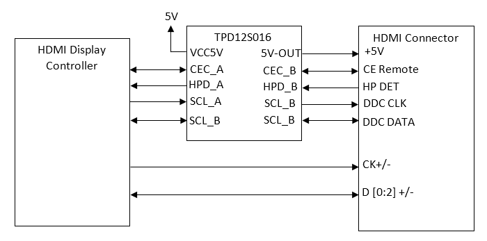
We have used the companion chip - TPD12S016 with HDMI display interface as shown below.
We recently came across an issue with TPD12S016 where,
1. When the board was powered ON, HPD_A pin was continuously high even the HDMI sink was not connected. However the HPD_B was low.
2. 5V-OUT was short to ground.
This issue got resolved by replacing TPD12S016 with new part.
We are trying to identify the root cause for this issue. We suspect that, this may have happened by accidentally connecting the HDMI source to the connector instead of sink.
Can you let us know what will happen to TPD12S016 in this case?
Regards,
Elvin
