This thread has been locked.

If you have a related question, please click the "Ask a related question" button in the top right corner. The newly created question will be automatically linked to this question.

TPL0102-100 Impedance of WA and WB terminals During Wiper Response Time

Other Parts Discussed in Thread: TPL0102-100

Hi,

Do those terminals of WA and WB momentarily become a floating during a wiper response time(t(WRT)) if changing a wiper data via I2C interface ?
We believe that those terminals of HA, HB, LA and LB are not a floating if those terminals are properly connected.
Could you please tell us your advice about it ?

Best regards,
Kato

  • Hi Kato-san,

    The WA and WB terminals do not become floating during the wiper response time. I got a scope shot of the TPL0102-100 with HA at 3.3V and LA at 0 V. I changed the I2C wiper register setting from 0x70 to 0x80. Here is the scope shot. The device smoothly transitions.

    Thanks,

    Rajan

    Dark Blue: SCL

    Light Blue: SDA

    Purple: WA

  • Hi Rajan-san,

    Thank you for your prompt reply.

    I have some questions for your evaluation.
    Did you evaluate the wiper response time, adding the load impedance to WA/WB terminals ?
    Is the same result provided if being connected two resistors of 1MΩ between WA/WB terminals and GND as the load impedance ?
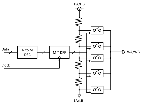
    In addition, I believe that it depends on the architecture whether WA/WB terminals become a floating during the a wiper response time.
    For example, WA/WB terminals would be not a floating almost since the transition timing is synchronized with the clock in the following case.
    Could you please tell us the architecure for TPL0102-100 ?

    Best regards,
    Kato

  • Hi Kato-san,

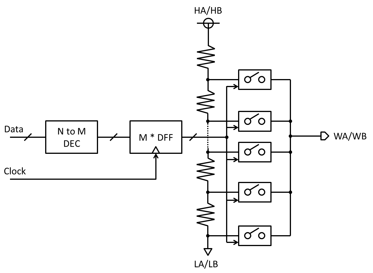
    The architecture details i can share with you is the one shown in the Datasheet diagram below. The device has two resistor ladder and switches control which resistor value is selected (similar to the diagram you shared). The switches are controlled by the digital signals based off serial communication from I2C interface.

    We evaluate the wiper response time with a scope load of ~10pF probe capacitance and ~ 10 Mohm load impedance (typical for scope probes). I tested with ~ 1 Mohm load impedance resistor between WA and GND, and do not see any significant change in wiper response time. 

    Thanks,

    Rajan

  • Hi Rajan-san,

    Thank you for your quick response.
    I understood and will inform our customer of your information.
    We greatly appreciate your cooperation.

    Best regards,
    Kato