Hello,
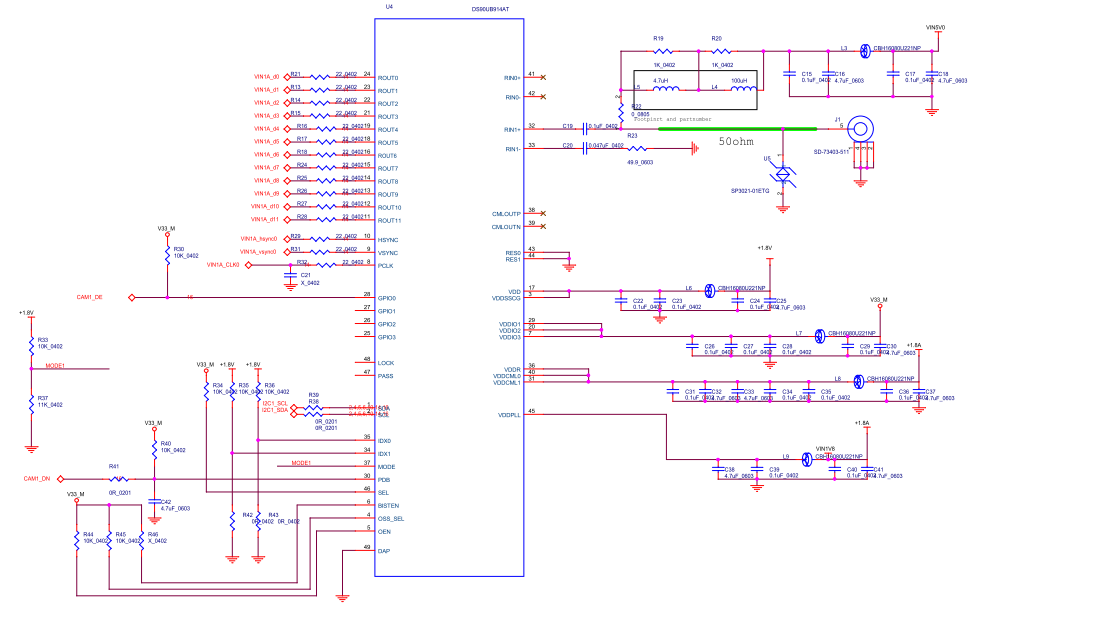
Customer refer to FPD-Link reference do a 914 Deserializer board that is connect to camera board with 913. But the communication are not successful between 913 and 914. Lock and Pass pin are always Hi/Lo and can't keep already normal high. But use the same camera board, register setting and cable with 914 EVM. That works normal between 914 EVM and 913 camera board.
Do you have any comments to solve this issue? Thank you.
BR
Patrick


