Other Parts Discussed in Thread: DP83867IS, TIDA-00204
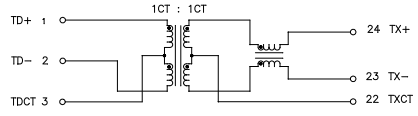
Our customer want to use HX5120NL (Pulse Electronics) for DP83867IS. HX5120NL transformer configuration for a one differential pair is below:
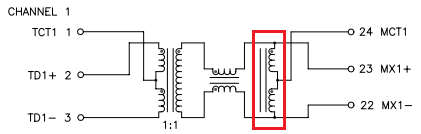
In TI Design (TIDA-00204), HX5008FNL is used. HX5008FNL transformer configuration for a one differential pair is below:
Can HX5120NL be used? Are the inductors of the RJ45 side required?
Best regards,
Daisuke

