This thread has been locked.

If you have a related question, please click the "Ask a related question" button in the top right corner. The newly created question will be automatically linked to this question.

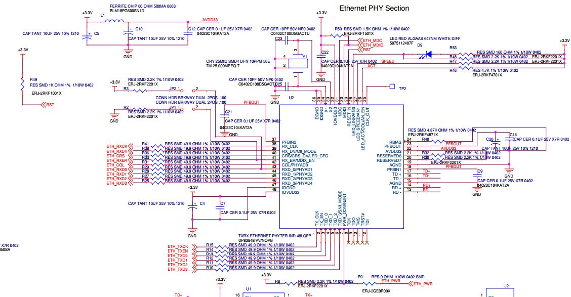
DP83848IVV - Hardware Reset Question

Other Parts Discussed in Thread: USB-2-MDIO

Hello,

We are using DP83848IVV PHY along with a FPGA, for one of our projects. Note that. we are generating 2microseconds active low reset, from the fpga and feeding it to  pin 29 of the PHY. The PHY is expected to output a TX_CLK from Pin1. Note that during power on, this pin is giving out  a 25MHZ clock, but once we reset the PHY, the clock pin 1 , is not giving out the clock. Is this normal?. Please advice.

Thanks,

Manoj