Other Parts Discussed in Thread: TUSB4020BI
Hi Sirs,
Sorry to bother you.
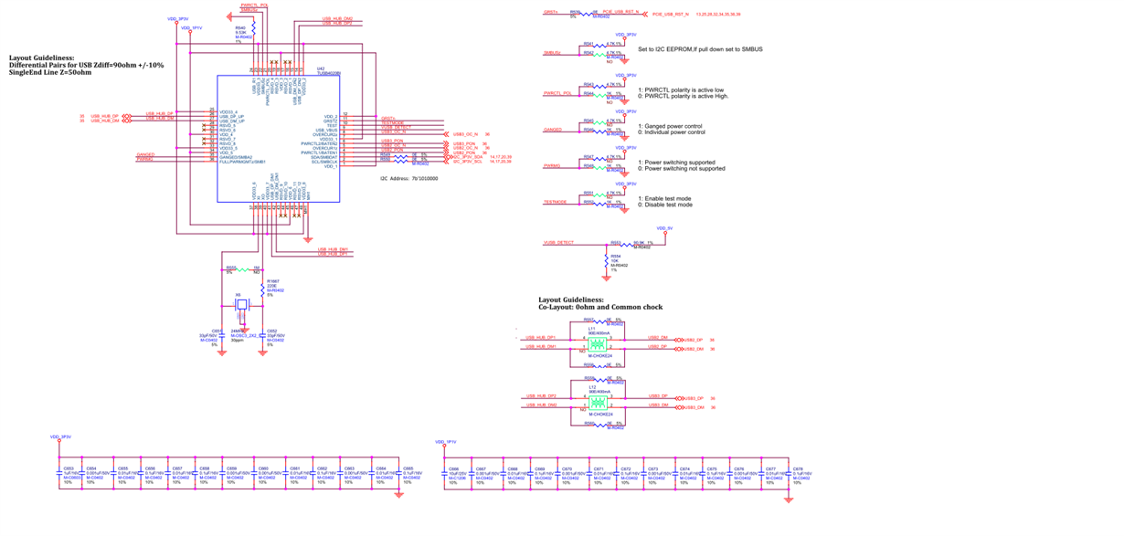
We have use TUSB4020BI, will do TUSB4020BI compliance test.
We sure have input, after passing TUSB4020BI, there are no output now.
I'm not sure have any control or setting need config?
By the way, we saw the pin10 is test pin, Should we need use this??
Looks pin 10 is for factory use, what is this pin function and how to use it??
Could you help review schematic again and share experience for us??
Many thanks for your kindly help
Schematic as below:


