Other Parts Discussed in Thread: TCA4311A
Dear Sir
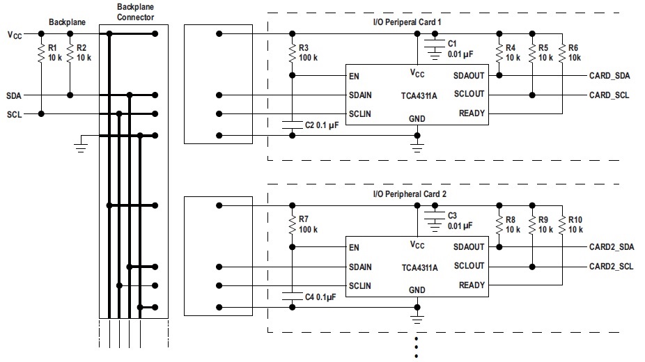
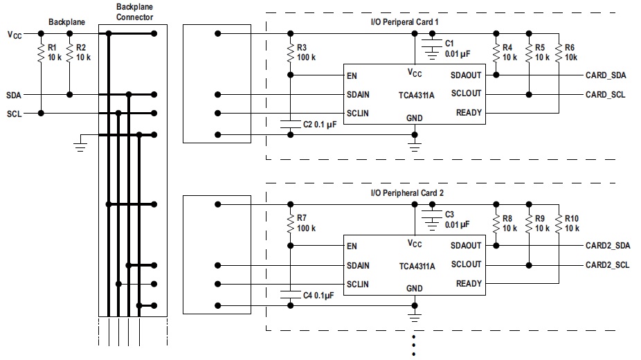
1. As below figure show ,the I/O card use SDAIN and SCLIN to do I2C input ,could I use SDAOUT and SCLOUT to do input ??
2. May I know below backplane side and I/O card side have to add TCA4311A at the same time or not?? or I just need to add TCA4311A on I/O card side ??
3. in the datasheet ,TCA4311A have 400pF buffer capability ,I know this 400pF capability is on "OUT" side or "IN" side ??
