Hi Sir,
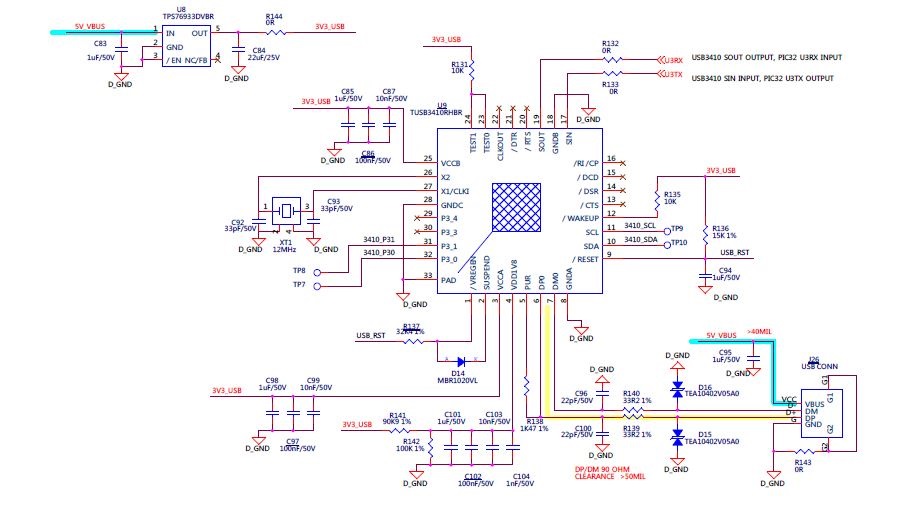
I want to check why R1 and R2 need to use 90.9K and 100K?
The current have limitation for VDD1V8?
This thread has been locked.
If you have a related question, please click the "Ask a related question" button in the top right corner. The newly created question will be automatically linked to this question.
HI sir:
customer use 90.9K and 100K in IC Vdd1.8(Pin_4), but have Vdd drop issue. What is the cause of this problem??
customer want to know Vdd1.8 (Pin_4) sink/source current limitation ??
if customer want to use Internal power (VDD1.8V) , Can I provide a reference circuit?? and what is D4 function??