Hi
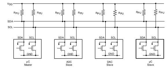
I am trying to implement I2C communication b/w two boards containing F28335 MCUs in Master-slave mode.Every thing works fine when both are powered up.
whenever the slave is powered down,the Master is sensing bus busy and the voltage levels on the bus is changing from 3.3(Vcc) to 1.5V. I believe the issue is due to the common supply & ground and pull ups on the slave side are changing the voltage levels.when the slave is again powered up,i need to reset the I2C module through the software in Master for comm to happen. I've tried to eliminate this by placing diodes in the pull up paths at slave end,but still the issue repeats. Please suggest how to eliminate this ,Is there any alternative or other circuit config to communicate b/w two boards?.
The slave is supposed to be powered by the same supply of master,but can be powered off independently.Also i would like to make multi-master communication between more than 3 nodes on different boards connected on a mother board.Does the use of I2C Buffers such as P82B96 will help?
Thanks in advance,
Naveen M.
